Electrician AC circuits Page-5 Question Bank

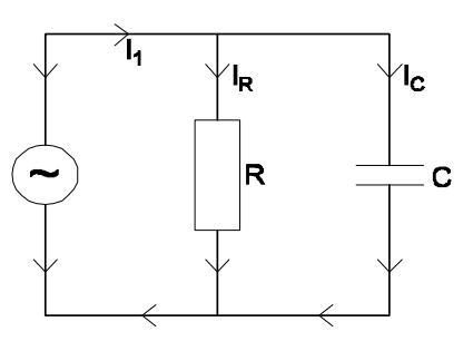
21.  What is the formula to calculate the line current (IL) of R-C parallel circuit as shown in the figure?
चित्र में दिखाए अनुसार R-C समान्तर परिपथ की लाइन धारा (IL) की गणना करने का सूत्र क्या है?  [Bharat Skill QB]

(A) IL=IR - IC
(B) IL = IR + IC
(C) IL =IR2 + IC2
(D) IL = IR2 + IC2

22.  How the low power factor (P.F) can be improved in AC circuits?
एसी परिपथ में कम शक्ति गुणांक (P.F) को कैसे बेहतर बनाया जा सकता है?  [Bharat Skill QB]

(A) By connecting resistors in series
 प्रतिरोधों को श्रेणी में जोड़कर
(B) By connecting capacitors in series
 संधारित्रों को श्रेणी में जोड़कर
(C) By connecting inductors in series
 प्रेरकत्वों को श्रेणी में जोड़कर
(D) By connecting capacitors in parallel
 संधारित्रों को समान्तर में जोड़कर

23.  What is the formula to calculate the three phase active power (P) if the line voltage (VL) and line current is IL and phase angle is "θ"?
तीन कला सक्रिय शक्ति (P) की गणना करने के लिए सूत्र क्या है, यदि लाइन वोल्टेज (VL) और लाइन धारा (IL) है और कला कोण "θ" है?  [Bharat Skill QB]

(A) P = 3 VL IL Sinθ
(B) P = 3 VL IL Cosθ
(C) P = 3 VL ΙL Sinθ
(D) P = 3 VL ΙLCosθ

24.  What is the relation between the line current (IL) and phase current (IP) in delta connected system?
डेल्टा से जुड़े सिस्टम में लाइन करंट (IL) और फेज करंट (IP) के बीच क्या संबंध है?  [Bharat Skill QB]

(A) IL = IP
(B) IL = 3 IP
(C) IL = 3 IP
(D) IL = IP /3

25.  What is the purpose of the phase sequence meter?
फ़ेज़ अनुक्रम मीटर का उद्देश्य क्या है?  [Bharat Skill QB]

(A) To measure the voltage of 3 phase system
 3 फेज प्रणाली के वोल्टेज को मापने के लिए
(B) To control the speed of 3 phase motor
 3 फेज मोटर की गति को नियंत्रित करने के लिए
(C) To protect the motor against short circuit fault
 मोटर को शॉर्ट सर्किट दोष से बचाने के लिए
(D) To indicate the phase sequence of 3 phase system
 3 फेज प्रणाली के चरण अनुक्रम को इंगित करने के लिए