26. Which material is used for the damper winding?डैम्पर वाइंडिंग के लिए किस सामग्री का उपयोग किया जाता है? [NCVT Exam 24] (A) Copper bar तांबा बार (B) Cast iron bar कास्ट आयरन बार (C) Stainless steel bar स्टेनलेस स्टील बार (D) Silicon steel bar सिलिकॉन स्टील बारANSWER - AShow Answer
27. What will happen if the field excitation of an alternator is increased?यदि किसी अल्टरनेटर का फील्ड एक्ससिटेशन बढ़ा दिया जाए तो क्या होगा? [NCVT Exam 24] (A) Increase the demagnetizing effect विचुंबकन प्रभाव को बढ़ाता है (B) Prevents the demagnetizing effect विचुंबकन प्रभाव को रोकता है (C) Generates less voltage कम वोल्टेज उत्पन्न करता है (D) Prevents the short circuit fault शॉर्ट सर्किट दोष को रोकता हैANSWER - BShow Answer
28. What is the name of instrument used to measure the insulation resistance of an alternator?अल्टरनेटर के इन्सुलेशन प्रतिरोध को मापने के लिए उपयोग किए जाने वाले उपकरण का नाम क्या है? [NCVT Exam 24] (A) Multimeter मल्टीमीटर (B) Series type ohmmeter श्रृंखला प्रकार ओममीटर (C) Shunt type ohmmeter शंट प्रकार ओममीटर (D) Megger मेगरANSWER - DShow Answer
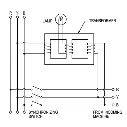
29. Which method of the parallel operation of alternator is shown in the diagram?चित्र में अल्टरनेटर के समान्तर ऑपरेशन की कौन सी विधि दर्शाई गई है? [NCVT Exam 25] (A) Dark and Bright lamp method डार्क और ब्राइट लैंप विधि (B) Moving iron type synchroscope method मूविंग आयरन टाइप सिंक्रोस्कोप विधि (C) Dark lamp method डार्क लैंप विधि (D) Western type synchroscope method वेस्टर्न टाइप सिंक्रोस्कोप विधिANSWER - DShow Answer