Electrician circuit breakers and relays Page-3 Question Bank

11.  What is the function of relay to the breaking operation of circuit breaker in control circuit?
नियंत्रण सर्किट में सर्किट ब्रेकर के ब्रेकिंग ऑपरेशन में रिले का कार्य क्या है?  [Bharat Skill QB]

(A) Sensing the fault quantities
 दोष मात्रा को सेंसर करना
(B) Analyzing the condition of breaker
 ब्रेकर की स्थिति का विश्लेषण
(C) Controlling the Speed in case of fault
 गलती के मामले में स्पीड को नियंत्रित करना
(D) Interpreting the fault situation to operate breaker
 ब्रेकर संचालित करने के लिए दोष की स्थिति की व्याख्या करना

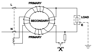
12.  What is the effect, if the test button marked as "X" is closed permanently in ELCB?
यदि "X" के रूप में चिह्नित किया गया परीक्षण बटन ELCB में स्थायी रूप से बंद है, तो इसका क्या प्रभाव है  [Bharat Skill QB]

(A) Circuit trips intermittently
 सर्किट रुक-रुक कर ट्रिप होता हैं
(B) Circuit functions normally
 सर्किट सामान्य रूप से कार्य करता है
(C) Circuit switch off completely
 सर्किट पूरी तरह से बंद
(D) Circuit will not trip on leakage
 लीकेज पर सर्किट ट्रिप नहीं करेगा

13.  What is the defect in an air circuit breaker, if trips intermittently on loading?
वायु सर्किट ब्रेकर में क्या दोष है, अगर लोडिंग पर सर्किट रुक-रुक कर ट्रिप होता हैं?  [Bharat Skill QB]

(A) Incorrect setting of relay
 रिले की गलत सेटिंग
(B) Excessive heat
 अत्यधिक गर्मी
(C) Insufficient air pressure
 अपर्याप्त वायुदाब
(D) Line voltage is too high
 लाइन वोल्टेज बहुत अधिक है

14.  What is the defect in a oil circuit breaker if the oil heats up excessively?
यदि तेल अत्यधिक गर्म हो जाए तो तेल सर्किट ब्रेकर में क्या दोष है?  [Bharat Skill QB]

(A) Line voltage is too high
 लाइन वोल्टेज बहुत अधिक
(B) Excessive load
 अत्यधिक भार
(C) Poor dielectric strength
 कम पराविद्युत शक्ति
(D) Defective tripping mechanism
 दोषपूर्ण ट्रिपिंग तंत्र

15.  What is the cause for the defect if phase to ground fault on the transmission line?
अगर ट्रांसमिशन लाइन पर फेज टू ग्राउंड फॉल्ट है तो क्या कारण है?  [Bharat Skill QB]

(A) Components failure
 घटकों की विफलता
(B) Insulation failure
 इन्सुलेशन विफलता
(C) Human error
 मानव त्रुटि
(D) Fuse failure
 फ़्यूज विफलता