1. Which supply indicates by the colour of conductor exhibited on Red, Blue and Black?रेड, ब्लू और ब्लैक पर कंडक्ट किए गए कंडक्टर के रंग से कौन सी आपूर्ति इंगित करती है? [Bharat Skill QB] (A) Supply DC 3 wire system 3 तार डीसी आपूर्ति प्रणाली (B) Single phase AC system एकल फेज़ एसी प्रणाली (C) Supply AC system 3 phase 3 फेज़ एसी आपूर्ति प्रणाली (D) Apparatus AC system 3 phase 3 फेज़ एसी सिस्टम उपकरणANSWER - AShow Answer
2. Which cable ties are used to bunch the wires?तारों को गुच्छा करने के लिए कौन से केबल बंधों का उपयोग किया जाता है? [Bharat Skill QB] (A) Silk ties रेशम बंध (B) P.V.C ties पीवीसी बंध (C) Nylon ties नायलॉन बंध (D) Cotton ties सूती बंधANSWER - CShow Answer
3. Which device is avoided in the panel board assembly?पैनल बोर्ड असेंबली में किस उपकरण से बचा जाता है? [Bharat Skill QB] (A) Sensors सेंसर (B) Indicating lamp संकेत दीपक (C) Isolating switch विलगित स्विच (D) Push button switch पुश बटन स्विचANSWER - AShow Answer
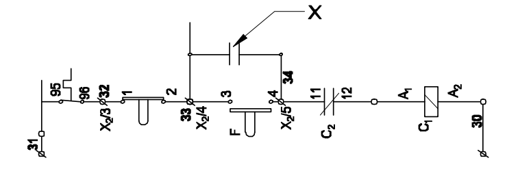
4. What is the name of the device marked as ʹXʹ as shown in the figure?चित्र में दिखाए अनुसार ʹXʹ से चिह्नित डिवाइस का नाम क्या है? [Bharat Skill QB] (A) Stop button स्टॉप बटन (B) Start button स्टार्ट बटन (C) Main contact मेन कांटेक्ट (D) Auxiliary contact ऑक्सीलिरी कांटेक्टANSWER - DShow Answer
5. What is the name of the wiring accessory used in control panel wiring?कंट्रोल पैनल वायरिंग में वायरिंग एक्सेसरी का क्या नाम है? [Bharat Skill QB] (A) DIN rails डीन रेल (B) G channel जी चैनल (C) Grommets ग्रोमेट्स (D) Race ways रेस वेज़ANSWER - AShow Answer