Electrician domestic appliances Page-4 Question Bank

16.  Which type of motor is used in the wet grinder?
गीले चक्की में किस प्रकार की मोटर का उपयोग किया जाता है?  [Bharat Skill QB]

(A) Universal motor
 यूनिवर्सल मोटर
(B) Repulsion motor
 प्रतिकर्षण मोटर
(C) Capacitor start induction run motor
 कैपेसिटर स्टार्ट इंडक्शन रन मोटर
(D) Capacitor start capacitor run motor
 कैपेसिटर स्टार्ट कैपेसिटर रन मोटर

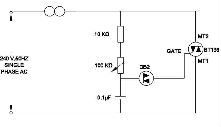
17.  What is the name of the circuit?
सर्किट का नाम क्या है?  [Bharat Skill QB]

(A) Electronic fan regulator
 इलेक्ट्रॉनिक पंखा नियामक
(B) Electronic voltage multiplier
 इलेक्ट्रॉनिक वोल्टेज गुणक
(C) Electronic voltage stabilizer
 इलेक्ट्रॉनिक वोल्टेज स्टेबलाइजर
(D) Electronic triggering circuit of SCR
 SCR का इलेक्ट्रॉनिक ट्रिगर सर्किट

18.  What is the temperature range, maintained by thermostat in geyser?
गीजर में थर्मोस्टेट द्वारा बनाए रखी जाने वाली तापमान सीमा क्या है?  [NCVT Exam 24]

(A) 0° C to 130° C
(B) 60° C to 65° C
(C) 0° C to 50° C
(D) 10° C to 150° C