16. Which instrument is an example of an integrating instrument?कौन सा उपकरण एकीकृत उपकरण का एक उदाहरण है? [Bharat Skill QB] (A) AC voltmeter एसी वोल्टमीटर (B) DC voltmeter डीसी वोल्टमीटर (C) Energy meter ऊर्जा मीटर (D) Tangent galvanometer स्पर्शरेखा गैल्वेनोमीटरANSWER - CShow Answer
17. How the creeping error is controlled in energy meter?ऊर्जा मीटर में रेंगने की त्रुटि को कैसे नियंत्रित किया जाता है? [Bharat Skill QB] (A) By reducing rated voltage रेटेड वोल्टेज को कम करके (B) By increasing the inductive load प्रेरण भार को बढ़ाकर (C) By adjusting the brake magnet position ब्रेक चुंबक की स्थिति को समायोजित करके (D) By drilling two holes diametrically opposite on disc डिस्क पर दो छेद ड़िल व्यास के विपरीतANSWER - DShow Answer
18. Why the scale of the moving iron instrument is having un-uniform scale?चल लौह प्रकार उपकरण का पैमाना असमान क्यों होता है? [Bharat Skill QB] (A) Deflecting force is directly proportional to the Current विचलन बल, धारा के समानुपाती होता है (B) Deflecting force is inversely proportional to the Current विचलन बलाघूण धारा के व्युत्क्रमानुपाती है (C) Deflection of force is directly proportional to the square of the Current विचलन बल, धारा के वर्ग के समानुपाती होता है (D) Deflection force is inversely proportional to the square of the Current विचलन बल, धारा के वर्ग के व्युत्क्रमानुपाती होता हैANSWER - CShow Answer
19. Which source of measuring error is caused by the effect of magnetic fields?चुंबकीय क्षेत्र के प्रभाव के कारण मापने की कौन सी त्रुटि होती है? [Bharat Skill QB] (A) Device error डिवाइस त्रुटि (B) Human error मानव त्रुटि (C) Influence error प्रभाव त्रुटि (D) Switching error स्विचिंग त्रुटिANSWER - CShow Answer
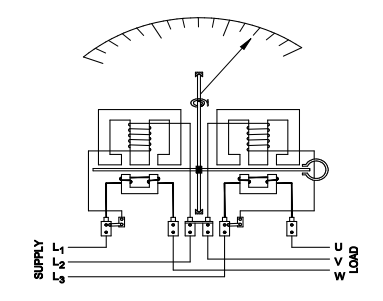
20. What is the type of wattmeter as shown in the figure?चित्र में दर्शाए गए वाटमीटर का प्रकार क्या है? [Bharat Skill QB] (A) Three element 4 wire wattmeter तीन अवयव 4 तार वाटमीटर (B) Two element 3 phase wattmeter दो अवयव 3 कला वाटमीटर (C) Three element 3 phase wattmeter तीन अवयव 3 चरण वाटमीटर (D) Three phase two element with C.T & P.T तीन चरण दो अवयव C.T & P.T के साथANSWER - BShow Answer