6. Which factor determines the inductance value?कौन सा कारक इन्डकटेन्स निर्धारित करता है? (A) Material of the coil कॉइल का मटेरियल (B) Diameter of the coil क्वाइल का व्यास (C) Frequency of the current करंट की आवृत्ति (D) Current flow through the coil कॉइल के माध्यम से करंट फ़्लोANSWER - BShow Answer
7. Which type of resistor is shown in the figure?चित्र में किस प्रकार का प्रतिरोधक दर्शाया गया है? (A) Carbon type variable कार्बन प्रकार चर (B) Fixed low wattage type फिक्स्ड लो वॉटेज टाइप (C) High wattage fixed type उच्च वाट क्षमता निश्चित प्रकार (D) Wire wound type variable वायर वाउण्ड प्रकार चरANSWER - AShow Answer
8. What is the colour code for 100Ω resistor?100Ω प्रतिरोध के लिए कलर कोड क्या है? (A) Brown, black, red भूरा, काला, लाल (B) Black, brown, black काला, भूरा, काला (C) Brown, black, brown भूरा, काला, भूरा (D) Brown, brown, brown भूरा, भूरा, भूराANSWER - CShow Answer
9. How many ohms is equal to one Mega ohm?एक मेगा ओम कितने ओम के बराबर होता है? (A) 10 KΩ (B) 100 KΩ (C) 1000 KΩ (D) 2000 KΩANSWER - CShow Answer
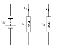
10. Determine the current flows through 2 Kilo ohm resistor (R2). 2KΩ रजिस्टर (R2) के माध्यम से करंट प्रवाह का निर्धारण करें। (A) 5 mA (B) 6 mA (C) 7 mA (D) 8 mAANSWER - BShow Answer