6. What is the purpose of sampling in DSO operation?DSO ऑपरेशन में नमूना लेने का उद्देश्य क्या है? (A) Control time base signal नियंत्रण समय आधार संकेत (B) Convert analog signal to digital एनालॉग सिग्नल को डिजिटल में बदलें (C) Convert digital signal to analog डिजिटल सिग्नल को एनालॉग में बदलें (D) Visualize the signal on screen. स्क्रीन पर सिग्नल की कल्पना करें।ANSWER - BShow Answer
7. How the overall operation of DSO is controlled?DSO का समग्र संचालन कैसे नियंत्रित किया जाता है? (A) Using microprocessors माइक्रोप्रोसेसरों का उपयोग करके (B) Using ICs and transistors ICs और ट्रांज़िस्टर का उपयोग करके (C) Using discrete components असतत घटकों का उपयोग करके (D) Using diodes and transistors डायोड और ट्रांज़िस्टर का उपयोग करकेANSWER - AShow Answer
8. Which function is performed by the sample / Hold circuit along with the ADC in Digital Storage Oscilloscope?डिजिटल स्टोरेज ऑसिलोस्कोप में ADC के साथ सैंपल/ होल्ड सर्किट द्वारा कौन सा कार्य किया जाता है? (A) Storage स्टोरेज (B) Data display डाटा डिसप्ले (C) Data acquisition डाटा अधिग्रहण (D) Upload to computer कंप्यूटर पर अपलोड करनाANSWER - CShow Answer
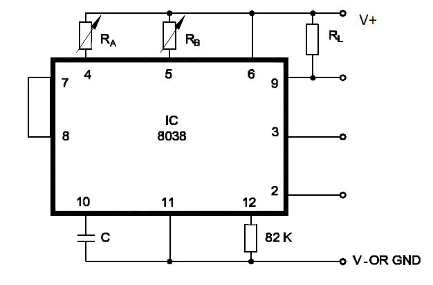
9. What is the name of the circuit built with IC 8038?IC 8038 के साथ निर्मित सर्किट का नाम क्या है? (A) Pulse generator पल्स उत्पन्न करने वाला (B) Sine wave generator साइन तरंग जनरेटर (C) Square wave generator वर्ग तरंग जनरेटर (D) Function generator फ़ंक्शन जनरेटरANSWER - DShow Answer
10. What is the name of the factory setup done to the Digital Storage Oscilloscope?फैक्टरी सेटअप का नाम क्या है, जो कि डिजिटल स्टोरेज ऑसिलोस्कोप के लिए किया जाता है? (A) Normal setup सामान्य सेटअप (B) Factory setup फैक्टरी सेटअप (C) Default setup डिफ़ॉल्ट सेटअप (D) Measurement setup मापन सेटअपANSWER - CShow Answer