26. What is the name of the electronic device symbol shown in the figure?चित्र में दिखाए गए इलेक्ट्रॉनिक डिवाइस प्रतीक का नाम क्या है? (A) U.J.T (B) F.E.T (C) DIAC (D) TRIACANSWER - AShow Answer
27. What is a common and popular application of U.J.T?U.J.T का एक सामान्य एवं लोकप्रिय एप्लिकेशन क्या है? (A) Multivibrator मल्टीवाईब्रेटर (B) Voltage regulator वोल्टेज रेगुलेटर (C) Relaxation oscillator रिलैक्सेशन आसलेटर (D) Motor speed controller मोटर गति नियंत्रकANSWER - CShow Answer
28. What is the name of the region marked as ʹXʹ on the UJT characteristics curve shown in the figure? चित्र में दिखाए गए UJT विशेषता वक्र पर ʹXʹ से चिह्नित क्षेत्र का नाम क्या है? (A) Saturation region सेचुरेशन क्षेत्र (B) Peak current region पीक करंट क्षेत्र (C) Valley current region वेली करंट क्षेत्र (D) Negative resistance region नकारात्मक प्रतिरोध क्षेत्रANSWER - DShow Answer
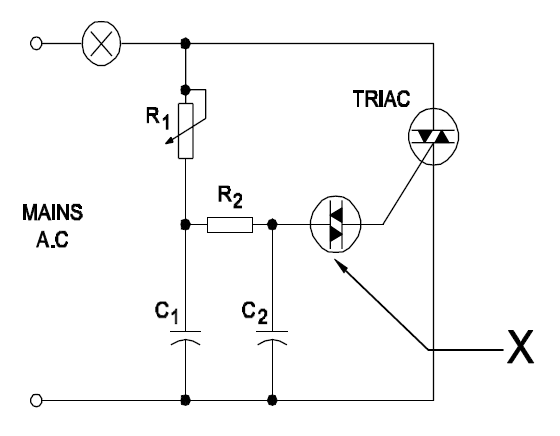
29. What is the name of the component marked "x" in the TRIAC triggering circuit? TRIAC ट्रिगर सर्किट मे "x" के रूप मे चिह्नित घटक का नाम क्या है? (A) SCR (B) UJT (C) FET (D) DIACANSWER - DShow Answer
30. How lamp failures are caused by the high inrush currents in lamp dimmer circuits using TRIAC is eliminated?TRIAC का उपयोग करके लैंप डिमर सर्किट में उच्च अंतर्वाह धारा के कारण होने वाली लैंप विफलताओं को कैसे समाप्त किया जाता है? (A) By the fuse फ़्यूज द्वारा (B) Using MCB MCB का प्रयोग करना (C) Using Safety resistor सुरक्षा अवरोधक का प्रयोग करना (D) By soft start circuit सॉफ्ट स्टार्ट सर्किट द्वाराANSWER - DShow Answer