1. What is the working principle of single phase induction motor?एकल चरण प्रेरण मोटर का कार्य सिद्धांत क्या है? [Bharat Skill QB] (A) Lenz’s law लेन्ज का नियम (B) Joule’s law जूल का नियम (C) Faraday’s laws of electrolysis फैराडे के विद्युत अपघटन के नियम (D) Faraday’s laws of electromagnetic induction फैराडे के विद्युत चुम्बकीय प्रेरण के नियमANSWER - AShow Answer
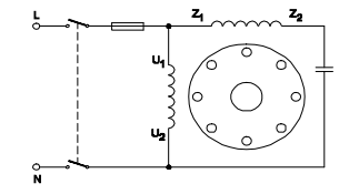
2. What is the name of single phase motor as shown below?जैसा कि नीचे दिखाया गया है सिंगल फेज मोटर का क्या नाम है? [Bharat Skill QB] (A) Permanent capacitor motor स्थायी संधारित्र मोटर (B) Induction start capacitor run motor इंडक्शन स्टार्ट कैपेसिटर रन मोटर (C) Capacitor start capacitor run motor कैपेसिटर स्टार्ट कैपेसिटर रन मोटर (D) Capacitor start induction run motor कैपेसिटर स्टार्ट इंडक्शन रन मोटरANSWER - AShow Answer
3. What is the working principle of split phase motor?स्पीलीट चरण मोटर का कार्य सिद्धांत क्या है? [Bharat Skill QB] (A) Lenz’s law लेन्ज का नियम (B) Joule’s law जूल का नियम (C) Faraday’s laws of electrolysis फैराडे के विद्युत अपघटन के नियम (D) Faraday’s laws of electromagnetic induction फैराडे के विद्युत चुम्बकीय प्रेरण के नियमANSWER - AShow Answer
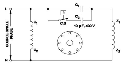
4. Which type of single phase motor is illustrated?एकल चरण मोटर किस प्रकार का निदर्शित है? [Bharat Skill QB] (A) Universal motor यूनिवर्सल मोटर (B) Permanent capacitor motor स्थायी संधारित्र मोटर (C) Capacitor start induction run motor कैपेसिटर स्टार्ट इंडक्शन रन मोटर (D) Capacitor start capacitor run motor कैपेसिटर स्टार्ट कैपेसिटर रन मोटरANSWER - DShow Answer
5. Which type of A.C single phase motor is classified under commutator motor type?ए सी सिंगल फेज मोटर किस प्रकार को कम्यूटेटर मोटर प्रकार के तहत वर्गीकृत किया जाता है? [Bharat Skill QB] (A) Stepper motor स्टेपर मोटर (B) Repulsion motor प्रतिकर्षण मोटर (C) Shaded pole motor आच्छादित पोल मोटर (D) Permanent capacitor motor स्थायी संधारित्र मोटरANSWER - BShow Answer