11. What is the formula to calculate the current taken by D.C shunt motor armature?D.C शंट मोटर आर्मेचर द्वारा ली गई धारा की गणना करने का सूत्र क्या है? [Bharat Skill QB] (A) (B) (C) (D) ANSWER - CShow Answer
12. Which rule identify the direction of flux in DC motor?कौनसा नियम डीसी मोटर में फ्लक्स की दिशा की पहचान करता है? [Bharat Skill QB] (A) Cork’s screw rule कॉर्क स्क्रू नियम (B) Right hand grip rule दाहिना हाथ पकड़ नियम (C) Fleming’s left hand rule फ्लेमिंग के बाएं हाथ का नियम (D) Fleming’s right hand rule फ्लेमिंग के दाहिने हाथ का नियमANSWER - CShow Answer
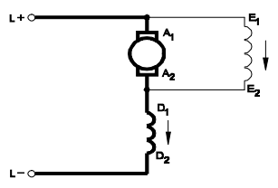
13. Name the type of DC motor.डीसी मोटर के प्रकार को नाम दें। [Bharat Skill QB] (A) Shunt motor शंट मोटर (B) Series motor श्रेणी मोटर (C) Long shunt compound motor लंबी शंट कंपाउंड मोटर (D) Short shunt compound motor शॉर्ट शंट कंपाउंड मोटरANSWER - DShow Answer
14. What is the formula to calculate back EMF in a DC motor?DC मोटर में EMF की गणना करने का सूत्र क्या है? [Bharat Skill QB] (A) (B) (C) (D) ANSWER - CShow Answer
15. What is the name of the equipment?उपकरण का नाम क्या है? [Bharat Skill QB] (A) Megger मेगर (B) Earth resistance tester भू प्रतिरोध परीक्षक (C) Internal growler आंतरिक ग्राउलर (D) External growler बाहरी ग्राउलरANSWER - DShow Answer