51. What is the function of IC 7476?IC 7476 का कार्य क्या है? (A) D flip flop D फ्लिप फ्लॉप (B) R/S flip flop R/S फ्लिप फ्लॉप (C) J/K flip flop J/K फ्लिप फ्लॉप (D) T flip flop T फ्लिप फ्लॉपANSWER - CShow Answer
52. मास्टर-स्लेव फ्लिप-फ्लॉप का लाभ है- (A) एज ट्रिगर (B) निम्न शक्ति खपत (C) "रेस" समस्या नही (D) तीव्र गतिANSWER - CShow Answer
53. डिकेड काउंटर तैयार करने के लिए कितने फ्लिप-फ्लॉप की आवश्यकता होती है? (A) 2 (B) 3 (C) 4 (D) 6ANSWER - CShow Answer
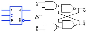
54. चित्र मे प्रदर्शित लॉजिक परिपथ है- (A) RS फ्लिप-फ्लॉप (B) RS क्लॉक्ड फ्लिप-फ्लॉप (C) शिफ्ट रजिस्टर (D) NAND गेटANSWER - BShow Answer
55. RS फ्लिप-फ्लॉप तैयार करने के लिए कितने NOR गेट्स की आवश्यकता होती है? (A) 1 (B) 2 (C) 3 (D) 4ANSWER - BShow Answer