91. What is the name of the folded edges of the slot liner?स्लॉट लाइनर के मुड़े हुए किनारों का नाम क्या है? [NCVT Exam 24] (A) Shaft insulation शाफ्ट इन्सुलेशन (B) Coil separator कुंडल विभाजक (C) Overhang insulation ओवरहांग इन्सुलेशन (D) Cuffing कफ़िंगANSWER - DShow Answer
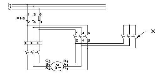
92. What is the name of the contactor marked as ʹxʹ in the star delta starter as shown in the figure?चित्र में दिखाए अनुसार स्टार डेल्टा स्टार्टर में 'x' से चिह्नित संपर्ककर्ता का नाम क्या है? [NCVT Exam 24] (A) Delta contactor डेल्टा संपर्ककर्ता (B) Main contactor मुख्य संपर्ककर्ता (C) Timer टाइमर (D) Star contactor स्टार संपर्ककर्ताANSWER - DShow Answer
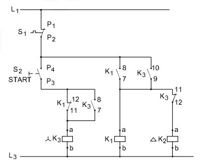
93. What is the name of the circuit as shown in the diagram?चित्र में दिखाए गए सर्किट का नाम क्या है? [NCVT Exam 24] (A) Power circuit of semi automatic star delta starter सेमी ऑटोमैटिक स्टार डेल्टा स्टार्टर का पावर सर्किट (B) Control circuit of fully automatic star delta starter पूर्ण ऑटोमैटिक स्टार डेल्टा स्टार्टर का नियंत्रण सर्किट (C) Control circuit of semi automatic star delta starter सेमी ऑटोमैटिक स्टार डेल्टा स्टार्टर का कंट्रोल सर्किट (D) Power circuit of fully automatic star delta starter पूर्णतः ऑटोमैटिक स्टार डेल्टा स्टार्टर का पावर सर्किटANSWER - CShow Answer
94. What is the total electrical degrees of a 3 phase, 4 pole AC machine?3 फेज़, 4 पोल AC मशीन की कुल विधुत डिग्री कितनी होती है? [NCVT Exam 24] (A) 180° (B) 360° (C) 720° (D) 1080°ANSWER - CShow Answer
95. What is the name of fault if a stator winding comes into contact with a stator core?यदि स्टेटर वाइंडिंग स्टेटर कोर के संपर्क में आती है तो दोष का नाम क्या है? [NCVT Exam 24] (A) Ground fault ग्राउंड फॉल्ट (B) Open circuit fault ओपन सर्किट फॉल्ट (C) Short circuit fault शॉर्ट सर्किट फॉल्ट (D) Leakage current fault लीकेज करंट फॉल्टANSWER - AShow Answer