6. What is the fuse rate to run a 10 HP three phase induction motor at full load?पूर्ण लोड पर 10 एचपी तीन कला प्रेरण मोटर चलाने के लिए फ़्यूज दर क्या है? [Bharat Skill QB] (A) 10 A (B) 15 A (C) 25 A (D) 30 AANSWER - CShow Answer
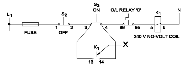
7. What is the name of the contact marked as "X"?संपर्क का नाम क्या है जिसे "X" के रूप में दर्शाया गया है? [Bharat Skill QB] (A) Star contact स्टार संपर्क (B) Delta contact डेल्टा संपर्क (C) Auxiliary contact सहायक संपर्क (D) Over load relay contact ओवर लोड रिले संपर्कANSWER - CShow Answer
8. What is the type of A.C motor stator winding as shown in the figure?चित्र में दर्शाए अनुसार A.C मोटर स्टेटर वाइंडिंग का प्रकार क्या है? [Bharat Skill QB] (A) Single layer basket winding सिंगल लेयर बास्केट वाइंडिंग (B) Double layer basket winding डबल लेयर बास्केट वाइंडिंग (C) Involute coil winding जटिल कुंडल वाइंडिंग (D) Diamond coil winding हीरा कुंडल वाइंडिंगANSWER - AShow Answer
9. Which formula is used to calculate percentage slip of an AC 3 phase induction motor?एसी 3 कला इंडक्शन मोटर की प्रतिशत स्लिप की गणना करने के लिए किस सूत्र का उपयोग किया जाता है? [Bharat Skill QB] (A) (B) (C) (D) ANSWER - AShow Answer
10. Which operation the control circuit is used?कंट्रोल सर्किट का उपयोग किस ऑपरेशन में किया जाता है? [Bharat Skill QB] (A) Remote control रिमोट कंट्रोल (B) Inching इन्चिंग (C) Sequential control सेक्वेंसीअल कंट्रोल (D) Forward and reverse फॉरवर्ड और रिवर्सANSWER - BShow Answer