26. Which is the major factor determines the quality performance of A/D converter?A/D कनवर्टर की गुणवत्ता के प्रदर्शन को निर्धारित करने वाला प्रमुख कारक कौन सा है? (A) Conversion cycle कंवरसन साईकल (B) Measuring parameter मापक पैरामीटर (C) Resolutions रेज़लूशनस (D) Depends on data latch डेटा लैच पर निर्भर करता हैANSWER - CShow Answer
27. Which is the major factor determines the quality performance of A/D converter?A/D कनवर्टर की गुणवत्ता के प्रदर्शन को निर्धारित करने वाला प्रमुख कारक कौन सा है? (A) Depends on data latch डेटा लैच पर निर्भर करता है (B) Measuring parameter मापक पैरामीटर (C) Sampling rate सैंपलिंग रेट (D) Conversion cycle कन्वर्शन साईकलANSWER - CShow Answer
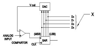
28. What is the effect on the analog input given to the successive approximation circuit output marked ʹxʹ? X ’के क्रमिक अप्प्रोक्सीमेसन सर्किट आउटपुट मे दिए गए एनालॉग इनपुट पर क्या प्रभाव पड़ता है? (A) Rectified DC output रेक्टीफाइड डीसी आउटपुट (B) Serial Binary output सीरियल बाइनरी आउटपुट (C) Analog output एनालॉग आउटपुट (D) Parallel Binary output समानांतर बाइनरी आउटपुटANSWER - DShow Answer
29. Which is the feature of an ideal operational amplifier?एक आदर्श ऑपरेशनल एम्प्लीफायर की विशेषता क्या है? (A) Zero input impedance शून्य इनपुट प्रतिबाधा (B) Infinite bandwidth असीमित बैंडविड्थ (C) Low gain high impedance कम लाभ उच्च प्रतिबाधा (D) Infinite output impedance अनन्त आउटपुट प्रतिबाधाANSWER - BShow Answer
30. What are the features of an instrumentation amplifier?इंस्ट्रूमेंटेशन एम्पलीफायर की विशेषताएं क्या हैं? [NCVT Exam 24] (A) Time drift टाइम ड्रिफ्ट (B) Low noise and High gain accuracy कम शोर और उच्च गेन एक्यूरेसी (C) Low thermal stability लो थर्मल स्टेबिलिटी (D) High gain bandwidth हाई गेन बैंडविड्थANSWER - BShow Answer