6. What is the name of capacitors C₁ and C₂ in the circuit shown in the figure? चित्र में दिखाए गए सर्किट में कैपेसिटर C₁ और C₂ का नाम क्या है? (A) High frequency capacitors उच्च आवृत्ति कैपेसिटर (B) Saw-tooth capacitors सॉ टूथ कैपेसिटर (C) Commutating capacitors कम्यूटेटिंग कैपेसिटर (D) Inter-electrode capacitors इंटर-इलेक्ट्रोड कैपेसिटरANSWER - CShow Answer
7. Which circuit is determined by the frequency of LC tank circuit?कौन सा सर्किट LC टैंक सर्किट की आवृत्ति द्वारा निर्धारित होता है? (A) Oscillator ऑसिलेटर (B) Amplifier एम्प्लीफायर (C) Multiplexed मल्टिप्लेक्स (D) Demodulator डिमॉड्युलेटरANSWER - AShow Answer
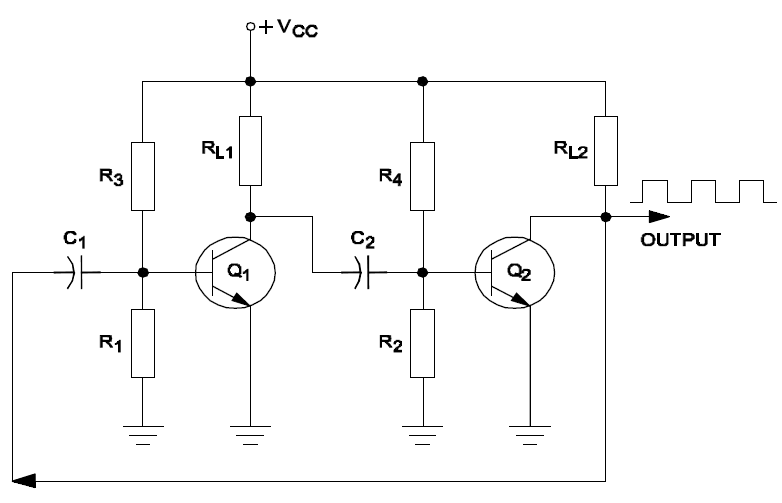
8. What is the name of the circuit diagram? सर्किट आरेख का नाम क्या है? (A) Astable multivibrator एसटेबल मल्टीवाइब्रेटर (B) RC coupled amplifier RC कपल्ड एम्प्लीफायर (C) Wein bridge oscillator वेन ब्रिज ऑसिलेटर (D) Audio frequency amplifier ऑडियो फ्रिक्वेंसी एम्प्लीफायरANSWER - AShow Answer
9. What is the percentage of charge accumulated by the capacitor at the end of 2 time constant limit?2 समय स्थिर सीमा के अंत में संधारित्र द्वारा संचित आवेश का प्रतिशत क्या है? (A) 0.4 (B) 0.5 (C) 0.632 (D) 0.864ANSWER - DShow Answer
10. How many time constants are required to change a capacitor to 63.2% of its full charge voltage?एक संधारित्र को उसके पूर्ण आवेश वोल्टेज के 63.2% तक परिवर्तित करने के लिए कितने समय स्थिरांक की आवश्यकता होती है? (A) Four time constant चार बार स्थिर (B) Three time constant तीन बार स्थिर (C) Two time constant दो समय लगातार (D) One time constant एक समय स्थिरANSWER - DShow Answer