16. What type of feedback is used by the wien-bridge oscillator to oscillate the signal?वेन-ब्रिज ऑसिलेटर द्वारा सिग्नल को दोलन करने के लिए किस प्रकार के फीडबैक का उपयोग किया जाता है? (A) No feedback कोई प्रतिक्रिया नहीं दी जाती है (B) Positive feedback सकारात्मक प्रतिक्रिया (C) Negative feedback नकारात्मक प्रतिक्रिया (D) Both positive and negative feedback दोनों सकारात्मक और नकारात्मक प्रतिक्रियाANSWER - DShow Answer
17. How the frequency stability in oscillator circuits can be improved?ऑसिलेटर सर्किट में आवृत्ति स्थिरता कैसे सुधारी जा सकती है? (A) Increase the supply voltage आपूर्ति वोल्टेज बढ़ाएं (B) By using quartz crystal क्वार्टी क्रिस्टल का प्रयोग करके (C) Using L and C L और C का प्रयोग करना (D) Improve the property of circuits सर्किट की प्रॉपर्टी मे सुधारANSWER - BShow Answer
18. Which transistor is used to operate the colpitts oscillator?कोलपिट्स ऑसिलेटर को संचालित करने के लिए किस ट्रांजिस्टर का उपयोग किया जाता है? (A) AC 127 (B) BF 194B (C) BC 148B (D) AC 188ANSWER - BShow Answer
19. How many time constant period is required to fully charge a capacitor?एक संधारित्र को पूर्णतः चार्ज करने के लिए कितने समय स्थिरांक अवधि की आवश्यकता होती है? (A) 10 time constants 10 बार स्थिरांक (B) 7 time constants 7 बार स्थिरांक (C) 5 time constants 5 बार स्थिरांक (D) 3 time constants 3 बार स्थिरांकANSWER - CShow Answer
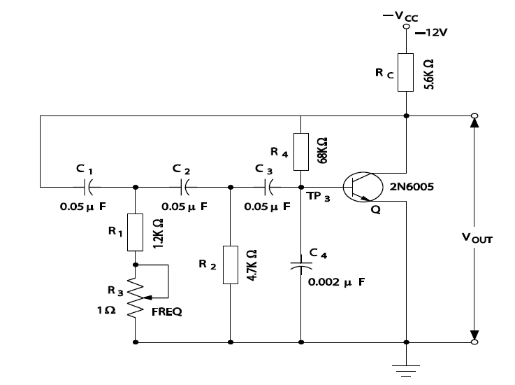
20. What is the purpose of capacitor C₄ in the RC phase shift oscillator shown in the figure? चित्र में दिखाए गए RC फेज शिफ्ट ऑसिलेटर में कैपेसिटर C₄ का उद्देश्य क्या है? (A) Bypasses unwanted HF oscillations to ground अवांछित एचएफ आसलेट को ग्राउंड मे बायपास करता है (B) Charging and discharging of de voltage डी वोल्टेज का चार्ज और डिस्चार्ज (C) Supplies base bias to transistor ट्रांज़िस्टर को बेस बायस की आपूर्ति करता है (D) Determines the oscillating frequency आसलेट आवृत्ति निर्धारित करता हैANSWER - AShow Answer