6. What is the meaning of maximum safe reverse voltage across a diode?डायोड में अधिकतम सुरक्षित रिवर्स वोल्टेज का क्या अर्थ है? (A) PIV voltage PIV वोल्टेज (B) Knee voltage नी वोल्टेज (C) Break down voltage ब्रेक डाउन वोल्टेज (D) Reverse break down voltage रिवर्स ब्रेक डाउन वोल्टेजANSWER - AShow Answer
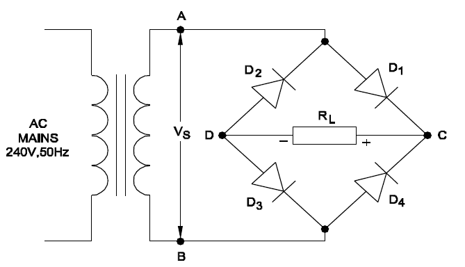
7. What is the name of the circuit shown in the figure? चित्र में दिखाए गए सर्किट का नाम क्या है? (A) Bridge rectifier ब्रिज रेक्टीफायर (B) Amplifier circuit एम्पलीफायर सर्किट (C) Regulator circuit रेगुलेटर सर्किट (D) Modulator circuit मोडूलेटर सर्किटANSWER - AShow Answer
8. When does the zener diode begin to conduct in the reverse biased condition?जेनर डायोड रिवर्स बायस्ड स्थिति में कब चालन करना शुरू करता है? (A) When bias voltage reached 0.7V जब बायस वोल्टेज 0.7V तक पहुँचताहै (B) After the barrier voltage cancelled बैरियर वोल्टेज समाप्त होने के बाद (C) Voltage across zener reached 0.3V जेनर पर 0.3V वोल्टेज पर पहुँच जाने पर (D) Voltage across it reached the zener voltage इसके पार वोल्टेज जेनर वोल्टेज तक पहुंच जाने परANSWER - DShow Answer
9. What is the current through the zener diode under no load condition? बिना लोड की स्थिति में जेनर डायोड के माध्यम से धारा क्या है? (A) Zero शून्य (B) Minimum न्यूनतम (C) Maximum ज्यादा से ज्यादा (D) Remains constant स्थिर रहता हैANSWER - CShow Answer
10. What is the output pulse frequency of the full wave rectifier with input frequency of 50 Hz?50 हर्ट्ज की इनपुट आवृत्ति के साथ पूर्ण तरंग रेक्टिफायर की आउटपुट पल्स आवृत्ति क्या है? (A) 40 Hz (B) 60 Hz (C) 100 Hz (D) 200 HzANSWER - CShow Answer