31. What is the current rating of voltage regulator IC LM317L?वोल्टेज रेगुलेटर IC LM317L की वर्तमान रेटिंग क्या है? (A) 0.1 A (B) 0.2 A (C) 0.3 A (D) 0.4 AANSWER - AShow Answer
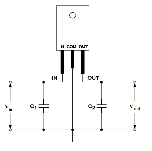
32. What is the function of capacitor C₂ in the voltage regulator shown in the figure?चित्र में दिखाए गए वोल्टेज रेगुलेटर में कैपेसिटर C₂ का क्या कार्य है? (A) Smooth the ripple content तरंग सामग्री को सुचारू करता है (B) Filter out the pulsations in dc DC में स्पंदन को फ़िल्टर करता है (C) Prevent the setting up of oscillations ऑस्कीलेसन की स्थापना को रोकता है (D) Improve the transient response of output voltage आउटपुट वोल्टेज की क्षणिक प्रतिक्रिया में सुधार करता हैANSWER - DShow Answer
33. What is the range of output voltage of regulator IC LM 317?रेगुलेटर IC LM 317 के आउटपुट वोल्टेज की सीमा क्या है? (A) 0 to 25 V (B) 0 to 30 V (C) 0 to 32 V (D) 1.2 V to 32 VANSWER - DShow Answer
34. Which type of voltage regulator is IC 723?किस प्रकार का वोल्टेज रेगुलेटर IC 723 है? (A) Multi pin variable voltage regulator बहु पिन चर वोल्टेज रेगुलेटर (B) Three pin positive voltage regulator तीन पिन पॉजिटिव वोल्टेज रेगुलेटर (C) Three pin negative voltage regulator तीन पिन नकारात्मक वोल्टेज रेगुलेटर (D) Three pin adjustable voltage regulator तीन पिन समायोज्य वोल्टेज रेगुलेटरANSWER - AShow Answer
35. What is the purpose of diode (D1) in the variable output voltage regulator? चर आउटपुट वोल्टेज रेगुलेटर में डायोड (D1) का उद्देश्य क्या है? (A) To avoid excess ringing अधिक बजने से बचने के लिए (B) To improve the ripple regulation रिपल नियमन में सुधार करने के लिए (C) To protect the IC against short due to C2 C2 की वजह से IC के बचाव के लिए (D) To protect the IC against short due to C3 C3 की वजह से आईसी के बचाव के लिएANSWER - DShow Answer