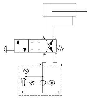
41. What is the name of circuit diagram?सर्किट डायग्राम का नाम क्या है? [Bharat Skill QB] (A) 2/2 way valve 2/2 वे वाल्व (B) 3/2 way valve 3/2 वे वाल्व (C) 4/2 way valve 4/2 वे वाल्व (D) 4/3 way valve 4/3 वे वाल्वANSWER - CShow Answer
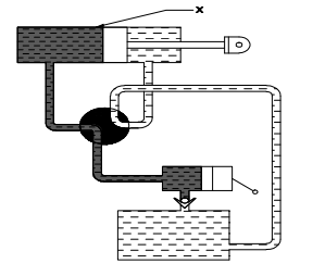
42. What is the name of the part marked as ʹXʹ shown in the figure?चित्र में दिखाए गए ʹXʹ से चिह्नित भाग का नाम क्या है? [Bharat Skill QB] (A) Two piston valve टू पिस्टन वाल्व (B) Double acting cylinder डबल एक्टिंग सिलेंडर (C) Pump पंप (D) Reservoir रेज़र्व्वैरANSWER - BShow Answer
43. Which gauge indicates the amount of fluid pressure in the hydraulic system?कौन सा गेज हाइड्रोलिक सिस्टम में द्रव दबाव की मात्रा को इंगित करता है? [Bharat Skill QB] (A) Vacuum gauge वैक्यूम गेज (B) Pressure gauge प्रेशर गेज (C) Fluid gauge फ्लूड गेज (D) Pneumatic gauge न्यूमेटिक गेजANSWER - BShow Answer
44. What is the name of adjustable restrictor?अजस्टबल प्रतिबंधक का नाम क्या है? [Bharat Skill QB] (A) Needle restrictor सुई प्रतिबंधक (B) Longitudinal restrictor अनुदैध्य प्रतिबंधक (C) Gap restrictor गैप प्रतिबंधक (D) Circumferential restrictor परिधि निर्धारकANSWER - AShow Answer
45. What is the operating voltage of electro pneumatics?इलेक्ट्रो न्यूमेटिक्स का ऑपरेटिंग वोल्टेज क्या है? [Bharat Skill QB] (A) 10V- 140V (B) 12V - 220V (C) 15V - 200V (D) 200V - 240VANSWER - BShow Answer