16. What electrical quantities are related in Ohmʹs law?ओह्म के नियम से सम्बंधित विद्युत राशियाँ कौन सी हैं? [Bharat Skill Qb] (A) Current, resistance and power धारा, प्रतिरोध एवं शक्ति (B) Current, voltage and resistivity धारा, वोल्टेज और प्रतिरोधकता (C) Current, voltage and resistance धारा, वोल्टेज और प्रतिरोध (D) Voltage, resistance and current density वोल्टेज, प्रतिरोध और धारा दक्षताANSWER - CShow Answer
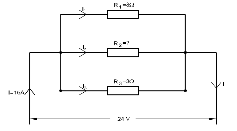
17. Calculate the value of resistance ʹR2ʹ in the parallel circuit.समान्तर परिपथ में R2 का मान ज्ञात कीजिये [Bharat Skill Qb] (A) 2 Ω (B) 4 Ω (C) 6 Ω (D) 8 ΩANSWER - CShow Answer
18. What is the effect of the parallel circuit with one branch is opened?एक शाखा के साथ समानांतर सर्किट खोलने पर क्या प्रभाव पड़ता है? [Bharat Skill Qb] (A) Current will remain same धारा समान बनी रहेगी (B) Whole circuit will not function पूरा परिपथ कार्य नहीं करेगा (C) No current will flow in that branch उस शाखा में धारा नहीं बहेगी (D) Voltage drop increase in the opened branch खुली शाखा में वोल्टेज पात बढ़ जायेगाANSWER - CShow Answer
19. What is the SI unit of resistivity?प्रतिरोधकता की SI इकाई क्या है? [Bharat Skill Qb] (A) ohm / cm (B) ohm / cm2 (C) ohm - metre (D) ohm / metreANSWER - CShow Answer
20. Which type of resistor is used for Arc quenching protection in circuit breakers?सर्किट ब्रेकरों में आर्क शमन सुरक्षा के लिए किस प्रकार के प्रतिरोध का उपयोग किया जाता है? [Bharat Skill Qb] (A) Varistors वैरिस्टर (B) Sensistors सेंसिस्टर (C) Thermistors थर्मिस्टर (D) Light dependent resistor (LDR) लाइट डिपेंडेंट रेसिस्टरANSWER - AShow Answer