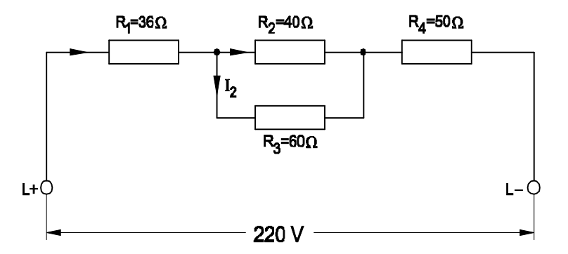
41. Calculate the voltage drop across the resistor "R4" in the circuit.परिपथ में प्रतिरोधक R4 पर वोल्टेज पात की गणना कीजिये। [Bharat Skill Qb] (A) 48 V (B) 72 V (C) 80 V (D) 100 VANSWER - DShow Answer
42. What is the resistance of Light Dependent Resistor (LDR), if the intensity of light is increased?लाइट डिपेंडेंट रसिस्टर का प्रतिरोध क्या होगा, यदि प्रकाश की तीव्रता बढ़ा दी जाये? [Bharat Skill Qb] (A) Increases बढ़ेगा (B) Decreases घटेगा (C) Remains same समान रहेगा (D) Becomes infinity अनंत हो जायेगाANSWER - BShow Answer
43. Which formula is used to calculate the power of a DC circuit?डीसी परिपथ में शक्ति की गणना करने का क्या सूत्र है? [Bharat Skill Qb] (A) Voltage x time वोल्टेज x समय (B) Current x voltage धारा x वोल्टेज (C) Current x resistance धारा x प्रतिरोध (D) Voltage x resistance वोल्टेज x प्रतिरोधANSWER - BShow Answer
44. Calculate the hot resistance of 200W / 250V rated lamp.200W / 250V रेटेड लैंप के गर्म प्रतिरोध की गणना करेंI [Bharat Skill Qb] (A) 31.25 Ω (B) 62.5 Ω (C) 312.5 Ω (D) 625 ΩANSWER - CShow Answer
45. What is the value of resistance of an open circuit?एक खुले सर्किट के प्रतिरोध का मान क्या है? [Bharat Skill Qb] (A) Zero शून्य (B) Low कम (C) High अधिक (D) Infinity अनंतANSWER - DShow Answer