Electrician basic electrical practice Page-5 Question Bank

21.  Calculate the value of resistance by colour coding method.
रंग कूट विधि के दवारा प्रतिरोध का मान बताइए  [Bharat Skill Qb]

(A) 22 x 103 Ω± 10%
(B) 23 x 104Ω ± 10%
(C) 25 x 103 Ω± 5%
(D) 36 x 104Ω ± 5%

22.  Calculate the unknown resistance “RDC” in the Wheatstone bridge circuit, if PAB=400 ohms, QBC=200 ohms and SAD=12ohms at balanced condition.
वीटस्टोन ब्रिज की संतुलन की अवस्था में अज्ञात प्रतिरोध ‘RDC’ का मान ज्ञात कीजिये, जब PAB = 400Ω, QBC = 200Ω, SAD = 12Ω हो  [Bharat Skill Qb]

(A) 4 Ω
(B) 6 Ω
(C) 8 Ω
(D) 12 Ω

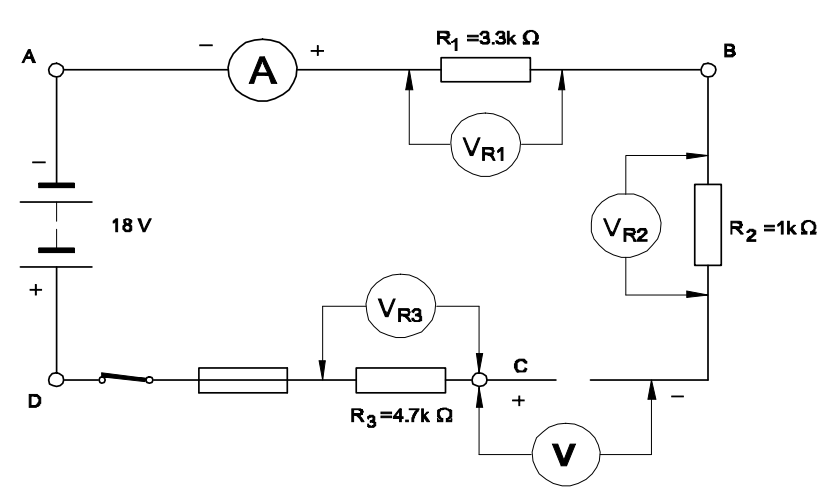
23.  What is the reading of the voltmeter "V"?
वोल्टमीटर "V" का पाठ्यांक बताइए।  [Bharat Skill Qb]

(A) 0 V
(B) 6 V
(C) 9 V
(D) 18 V

24.  Which is an application of the series circuit
सीरीज सर्किट का क्या उपयोग है?  [Bharat Skill Qb]

(A) Voltmeter connection
 वोल्टमीटर कनेक्शन
(B) Lighting circuits in home
 घर में लाइटिंग सर्किट
(C) Shunt resistor in ammeter
 एमीटर में शंट रेसिस्टर
(D) Multiplier resistor of a voltmeter
 वोल्टमीटर का मल्टीप्लायर प्रतिरोध

25.  What will happen if a resistor is opened in a series circuit?
यदि किसी श्रृंखला परिपथ में एक प्रतिरोधक खोल दिया जाए तो क्या होगा?  [Bharat Skill Qb]

(A) No voltage will appear across the opened resistor
 कोई वोल्टेज खुले हुए प्रतिरोधक पर दिखाई नहीं देगा
(B) More power loss in the opened resistor
 खुले हुए प्रतिरोधक में अधिक विद्युत हानि
(C) Total supply voltage will appear across the opened resistor
 कुल आपूर्ति वोल्टेज खुले हुए प्रतिरोधक पर दिखाई देगा
(D) Full current will flow through the opened resistor
 पूर्ण धारा खुले हुए प्रतिरोधक से प्रवाहित होगी