11. Which instrument provides a visual representation of measured or tested quantities?कौन सा उपकरण मापे हुए या परीक्षणित मात्रा का एक दृश्य प्रतिनिधित्व प्रदान करता है? [Bharat Skill QB] (A) Voltage stabilizer वोल्टेज स्टेबलाइजर (B) Function generator फलन जनक (C) Cathode ray oscilloscope कैथोड रे ऑसिलोस्कोप (D) Radio frequency generator रेडियो फ्रेक्वेंसी जनरेटरANSWER - CShow Answer
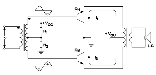
12. What is the name of amplifier?एम्पलीफायर का नाम क्या है? [Bharat Skill QB] (A) Common emitter amplifier कॉमन एमिटर एम्पलीफायर (B) Class B push pull amplifier क्लास बी पुश पुल एम्पलीफायर (C) Common collector amplifier कॉमन कलेक्टर एम्पलीफायर (D) Class AB push pull amplifier क्लास एबी पुश पुल एम्पलीफायरANSWER - BShow Answer
13. What is the formula to calculate the resonance frequency in an oscillator circuit?एक दोलन सर्किट में अनुनाद आवृत्ति की गणना करने का सूत्र क्या है? [Bharat Skill QB] (A) Fr = 1/2πLC (B) Fr = 1/√2πLC (C) Fr = 1/2π√LC (D) Fr= 1/LC√2πANSWER - CShow Answer
14. What is the minimum voltage required in the base emitter junction to conduct a silicon transistor?सिलिकॉन ट्रान्जिस्टर के संचालन के लिए बेस एमिटर जंक्शन मे न्यूनतम वोल्टेज की आवश्यकता क्या है? [Bharat Skill QB] (A) 0.2 V – 0.3 V (B) 0.4 V – 0.5 V (C) 0.6 V – 0.7 V (D) 0.8 V – 0.9 VANSWER - CShow Answer
15. What is the minimum and maximum value of resistor with four colour bands, red, violet, orange and gold respectively?क्रमश: चार रंग बैंड, लाल, बैंगनी, नारंगी और सोने के साथ प्रतिरोध का न्यूनतम और अधिकतम मान क्या है? [Bharat Skill QB] (A) 23750Ω - 26250Ω (B) 24700Ω - 27300Ω (C) 25650Ω - 28350Ω (D) 22400Ω - 33600ΩANSWER - CShow Answer