41. What is the output voltage if the centre tap of transformer is open circuited in a full wave rectifier circuit?यदि ट्रांसफॉर्मर का सेन्टर टैप पूर्ण तरंग रेक्टिफायर सर्किट में खुला हुआ है, तो आउटपुट वोल्टेज क्या है? [Bharat Skill QB] (A) Zero voltage शून्य वोल्टेज (B) Full rated output पूर्ण रेटेड निर्गत (C) Half of the rated output रेटेड निर्गत का आधा (D) One fourth of rated output रेटेड निर्गत का एक चौथाईANSWER - AShow Answer
42. Which oscillator provides high accurate stable frequency?कौन सा दोलक उच्च सटीक स्थिर आवृत्ति प्रदान करता है? [Bharat Skill QB] (A) Hartley oscillator हार्टले ऑसिलेटर (B) Colpitts oscillator कोलपिट्स ऑसिलेटर (C) Quartz crystal oscillator क्वार्ट्ज क्रिस्टल ऑसिलेटर (D) R.C phase shift oscillator आरसी फेज़ शिफ्ट ऑसिलेटरANSWER - AShow Answer
43. What is the characteristic property of base material in a transistor?एक ट्रांजिस्टर में आधार सामग्री का विशेष गुण क्या है? [Bharat Skill QB] (A) Lightly doped and very thin हल्के से डोप किया हुआ और बहुत पतला (B) Heavily doped and very thin भारी और बहुत पतला (C) Lightly doped and very larger हल्के से डोप किया हुआ और बहुत बड़ा (D) Heavily doped and very larger भारी और बहुत बड़ाANSWER - AShow Answer
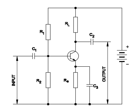
44. What is the type of amplifier?एम्पलीफायर का प्रकार क्या है? [Bharat Skill QB] (A) Push Pull Amplifier पुश पुल एम्पलीफायर (B) Common Base Amplifier कॉमन बेस एम्पलीफायर (C) Emitter Follower Amplifier एमिटर फॉलोअर एम्पलीफायर (D) Common Emitter Amplifier कॉमन एमिटर एम्पलीफायरANSWER - DShow Answer
45. Which resistor determines the voltage gain in a common emitter amplifier as shown in the circuit?जैसा कि सर्किट में दिखाया गया है, कौन सा प्रतिरोधक एक सामान्य एमिटर एम्पलीफायर में वोल्टेज गेन निर्धारित करता है? [Bharat Skill QB] (A) R1 (B) R2 (C) RL (D) ReANSWER - CShow Answer