21. Which type of amplifier is used to operate the loud speaker?लाउड स्पीकर को संचालित करने के लिए किस प्रकार के एम्प्लीफायर का प्रयोग किया जाता है? (A) IF amplifier IF एम्प्लीफायर (B) RF amplifier RF एम्प्लीफायर (C) Power amplifier पॉवर एम्प्लीफायर (D) Voltage amplifier वोल्टेज एम्प्लीफायरANSWER - CShow Answer
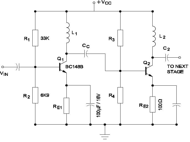
22. What is the value of RE if the voltage across it is 1.2 V and current flowing through it is 10mA shown in the figure? RE का मान क्या है यदि इसके पार वोल्टेज 1.2 V है और इसके माध्यम से प्रवाहित होने वाली करंट 10mA है जैसा कि चित्र में दिखाया गया है? (A) 180 Ω 180 Ω (B) 120Ω 120Ω (C) 100Ω 100Ω (D) 12Ω 12ΩANSWER - BShow Answer
23. What is the voltage gain in a transistor if the input voltage in 40mV and the output voltage in 3.6V?यदि ट्रांज़िस्टर मे वोल्टेज 40mV मे और आउटपुट वोल्टेज 3.6V मे वोल्टेज गेन क्या है? (A) 45 (B) 90 (C) 180 (D) 270ANSWER - BShow Answer
24. What is the frequency of operation of the amplifier circuit using inductance and capacitance (L-C) coupling shown in the figure? चित्र में दिखाए गए इंडक्शन और कैपेसिटेंस (L-C) कपलिंग का उपयोग करके एम्पलीफायर सर्किट के संचालन की आवृत्ति क्या है? (A) Video signals वीडियो संकेत (B) High frequency signals उच्च आवृत्ति संकेत (C) Audio frequency signals ऑडियो आवृत्ति संकेत (D) Intermediate frequency signals मध्यवर्ती आवृत्ति संकेतANSWER - BShow Answer
25. What is the input impedance of darlington pair transistors?डार्लिंगटन युग्म ट्रांजिस्टर की इनपुट प्रतिबाधा क्या है? (A) Very low input impedance बहुत कम इनपुट इम्पीडेन्स (B) Very high input impedance बहुत उच्च इनपुट इम्पीडेन्स (C) Medium input impedance मध्यम इनपुट इम्पीडेन्स (D) Unit यूनिटANSWER - BShow Answer