36. Which test is conducted to check the basic operation of a transistor? एक ट्रांज़िस्टर के मूल संचालन की जांच के लिए कौन सा परीक्षण आयोजित किया जाता है? (A) Quick turn-on-test क्विक टर्न-ऑन-टेस्ट (B) B-E forward resistance test B-E फॉरवर्ड प्रतिरोध परीक्षण (C) E-C forward resistance test E-C फॉरवर्ड प्रतिरोध परीक्षण (D) E-C reverse resistance test E-C रिवर्स प्रतिरोध परीक्षणANSWER - AShow Answer
37. What is the overall base emitter voltage required to turn the darlington pair?डार्लिंगटन युग्मन को चालू करने के लिए समग्र बेस एमिटर वोल्टेज की क्या आवश्यकता है? (A) 0.2 V (B) 0.3 V (C) 0.7 V (D) 1.4 VANSWER - DShow Answer
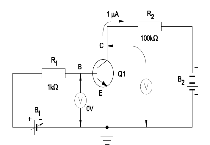
38. What is the status of the transistor in the circuit? सर्किट मे ट्रांज़िस्टर की स्थिति क्या है? (A) Acting on an amplifier एम्प्लीफायर की तरह (B) Acting on an oscillator एक आसिलेटर की तरह (C) Acting on an open switch एक ओपन स्विच की तरह (D) Acting on a closed switch एक क्लोज स्विच की तरहANSWER - CShow Answer
39. Why the complementary - symmetry amplifier is preferred over the other types of amplifier configurations?अन्य प्रकार के प्रवर्धक विन्यासों की तुलना में पूरक-सममिति प्रवर्धक को क्यों प्राथमिकता दी जाती है? (A) To minimize the gain गेन को कम करने के लिए (B) To get less distortion कम डिसटॉर्सन पाने के लिए (C) To get more voltage gain अधिक वोल्टेज प्राप्त करने के लिए (D) To eliminate the transformer ट्रांसफार्मर को हटाने करने के लिएANSWER - DShow Answer
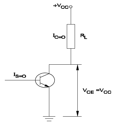
40. What is the voltage drop across the collector and emitter of transistor Q1? ट्रांजिस्टर Q1 के कलेक्टर और एमिटर में वोल्टेज ड्रॉप क्या है? (A) 4.5V (B) 6V (C) 9V (D) Zero volt शून्य वोल्टANSWER - CShow Answer