31. Which type of amplifier has the frequency response curve as shown in the figure? चित्र में दिखाए अनुसार किस प्रकार के एम्पलीफायर में आवृत्ति प्रतिक्रिया वक्र होता है? (A) RC coupled amplifier RC कपल्ड एम्पलीफायर (B) LC coupled amplifier LC कपल्ड एम्पलीफायर (C) Direct coupled amplifier डायरेक्ट कपल्ड एम्पलीफायर (D) Transformer coupled amplifier ट्रांसफार्मर कपल्ड एम्पलीफायरANSWER - CShow Answer
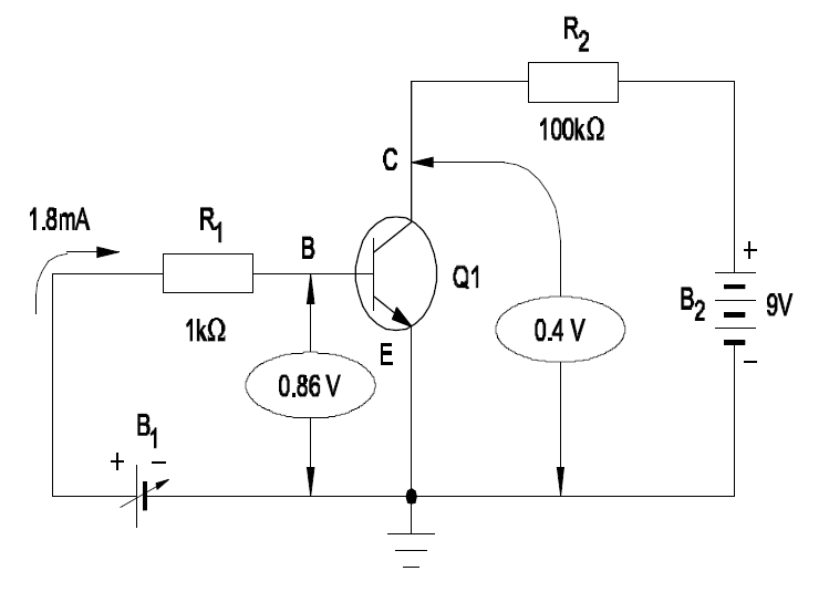
32. How much is the voltage drop across the load resistor R2 in the circuit? सर्किट मे लोड रजिस्टर R2 मे वोल्टेज ड्रॉप कितना है? (A) 0.9V (B) 7.2V (C) 8.14V (D) 8.6VANSWER - DShow Answer
33. What is the efficiency of a class A amplifier coupled with a transformer?एक ट्रांसफार्मर के साथ कपल्ड क्लास A एम्पलीफायर की दक्षता क्या है? (A) Less than 20% 20% से कम (B) About 50% लगभग 50% (C) More than 60% 60% से अधिक (D) Unity एकताANSWER - BShow Answer
34. Why positive feedback are used in amplifiers?एम्पलीफायरों में सकारात्मक फीडबैक का उपयोग क्यों किया जाता है? (A) To produce modulation मॉड्यूलेशन का उत्पादन करने के लिए (B) To produce demodulation डिमॉड्यूलेशन पैदा करने के लिए (C) To produce oscillation दोलन पैदा करना (D) To produce multiplexing मल्टीप्लेक्स का निर्माण करने के लिएANSWER - CShow Answer
35. What will happen when the forward bias voltage across the PN junction is increased excessively?क्या होगा जब पीएन जंक्शन पर फॉरवर्ड बायस वोल्टेज अत्यधिक बढ़ जाता है? (A) Increases the cut - in - voltage वोल्टेज मे कटौती को बढ़ाता है (B) Barrier width of junction increases जंक्शन की बैरियर चौड़ाई बढ़ जाती है (C) Junction ruptured and short circuited जंक्शन खत्म हो जाएगा और कम रजिस्टेंस हो जाएगा (D) No current flows through the junction जंक्शन से कोई करंट नहीं बहेगाANSWER - CShow Answer