1. What is the full form of UPS?UPS का फुल फॉर्म क्या है? (A) Unlimited Power Supply (B) Uninterrupted Power Supply (C) Uprooted Power Supply (D) Utility Power SupplyANSWER - BShow Answer
2. What is the name of the OFF line UPS section marked as ʹXʹ shown in the figure?चित्र में दिखाए गए ʹXʹ के रूप में चिह्नित ऑफ लाइन यूपीएस अनुभाग का नाम क्या है? (A) Digital Controller डिजिटल कंट्रोलर (B) Battery Charger बैटरी चार्जर (C) Load relay लोड रिले (D) Voltage regulator वोल्टेज रेगुलेटरANSWER - BShow Answer
3. Which type of mounting method is used in battery installation as shown in the figure?जैसा कि चित्र में दिखाया गया है, बैटरी स्थापना में किस प्रकार की माउंटिंग विधि का उपयोग किया जाता है? (A) Tier mounting टियर मॉउंटिंग (B) Rack mounting रैक मॉउंटिंग (C) Shaft mounting शाफ्ट मॉउंटिंग (D) Cabinet mounting कैबिनेट मॉउंटिंगANSWER - AShow Answer
4. Which type of UPS is shown in the figure?चित्र में किस प्रकार का UPS दिखाया गया है? (A) ON line UPS ON लाइन UPS (B) OFF line UPS OFF लाइन UPS (C) Industrial type UPS इंडस्ट्रियल टाइप UPS (D) Line interactive UPS लाइन इंटरएक्टिव UPSANSWER - DShow Answer
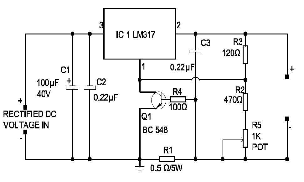
5. What is the name of the electronic circuit?इलेक्ट्रॉनिक सर्किट का नाम क्या है? (A) Amplifier एम्पलीफायर (B) Battery charger बैटरी चार्जर (C) Multiplexer मल्टीप्लेक्सर (D) Full adder फुल एडडरANSWER - BShow Answer